Типы схем

Схема подключения светодиодов бывает двух типов, которые зависят от источника питания:
- светодиодный драйвер со стабилизированным током;
- блок питания со стабилизированным напряжением.
В первом варианте применяется специализированный источник, который имеет определенный стабилизированный ток, например 300мА. Количество подключаемых LED диодов ограничено только его мощностью. Резистор (сопротивление) не требуется.
Во втором варианте стабильно только напряжение. Диод имеет очень малое внутреннее сопротивление, если его включить без ограничения Ампер, то он сгорит. Для включения необходимо использовать токоограничивающий резистор.Расчет резистора для светодиода можно сделать на специальном калькуляторе.
Калькулятор учитывает 4 параметра:
- снижение напряжения на одном LED;
- номинальный рабочий ток;
- количество LED в цепи;
- количество вольт на выходе блока питания.
Разница кристаллов
Если вы используете недорогие LED элементы китайского производства, то скорее всего у них будет большой разброс параметров. Поэтому реальное значение Ампер цепи будет отличатся и потребуется корректировка установленного сопротивления. Чтобы проверить насколько велик разброс параметров, необходимо включить все последовательно. Подключаем питание светодиодов и затем понижаем напряжение до тех пор, когда они будут едва светиться. Если характеристики отличаются сильно, то часть LED будет работать ярко, часть тускло.
Это приводит к тому, что на некоторых элементах электрической цепи мощность будет выше, из-за этого они будут сильнее нагружены. Так же будет повышенный нагрев, усиленная деградация, ниже надежность.
Как устроена светодиодная лампа на 220 В?
Это современный вариант LED-лампы, который производится по усовершенствованной технологии. Здесь светодиод цельный, имеется несколько кристаллов, поэтому не предполагается необходимость пайки множества контактов. Как правило, присоединяют только два контакта.
Таблица 1. Строение стандартной LED-лампы
| Элемент | Описание |
|---|---|
| Рассеиватель | Элемент в виде «юбочки», который способствует равномерному распределению светового потока, исходящего от светодиода. Чаще всего этот компонент изготавливают из бесцветного пластика или матового поликарбоната. |
| Чипы светодиодов | Это главные элементы современных лампочек. Часто их устанавливают в большом количестве (боле 10 штук). Тем не менее, точное число будет зависеть от мощности светового источника, габаритов и особенности радиатора для поглощения тепла. |
| Пластина из диэлектрика | Изготавливается на основе анодированных сплавов алюминия. Ведь такой материал лучшим образом выполняет функцию отвода тепла к системе охлаждения. Все это позволяет создать нормальную температуру для бесперебойного функционирования чипов. |
| Радиатор (охлаждающая система) | Способствует отведению тепла от пластины из диэлектрика, где находятся светодиоды. Для изготовления подобных элементов тоже используют сплавы алюминия. Только здесь еще заливают его в особые формы, чтобы получить пластины. Это способствует увеличению площади для отвода тепла. |
| Конденсатор | Сокращает импульс, который возникает при подаче напряжения от драйвера к кристаллам. |
| Драйвер | Устройство, которое способствует нормализации входного напряжения электросети. Без такой маленькой детали не получится сделать современную матрицу светодиода. Эти элементы могут быть выносного или встроенного типа. Тем не менее, практически все лампы имеют встроенные драйвера, которые находятся внутри устройства. |
| Основание из ПВХ | Это основание прижато к цоколю лампочки, благодаря чему защищает от поражения током электриков, которые выполняют замену изделия. |
| Цоколь | Требуется, для того чтобы подключить лампу к патрону. Чаще всего его изготавливают из прочного металла – латуни с дополнительным покрытием. Это позволяет увеличить срок использования изделия и защитить от ржавчины. |
Драйвер светодиодной лампочки
Еще одним отличием светодиодных ламп от других изделий является местонахождение зоны сильного нагрева. У других источников света происходит распространение тепла по всей внешней части, в то время как кристаллы светодиодов способствуют только нагреву внутренней платы. Именно поэтому возникает необходимость установки радиатора для быстрого отведения тепла.
Если возникает потребность сделать ремонт осветительного прибора с вышедшим из строя светодиодом, то его полностью заменяют. По внешнему виду эти лампы могут быть как круглыми, так и в виде цилиндра. К питанию они подключаются через цоколь (штырьковый или резьбовой).
Мероприятия по борьбе с мерцанием светодиодов
Светодиодная лампа из энергосберегающей своими руками имеет огромное преимущество, но нужно потрудиться, чтобы при работе самоделки пользователей не беспокоило излишнее мерцание LED:
- Управляйте светодиодными продуктами с использованием источника питания светодиода, который предназначен для их расчётной нагрузки.
- Убедитесь, что все используемые продукты LED совместимы с цепями управления и источником питания.
- Проверьте отсутствие проводов и других неисправностей светильника и убедитесь, что диммеры не перегружены.
- Рассмотрите возможность использования постоянного тока светодиодного драйвера.
- При установке системы поэкспериментируйте, чтобы узнать, есть ли минимальный уровень затемнения, который вам мешает.
Чтобы избежать влияния мерцания светодиодов, нужно всегда помнить о вышеуказанных моментах.
Что нужно знать о безопасности при закреплении на потолке?
Здесь специалисты дают несколько важных рекомендаций:
Светодиоды сильно греются
Потому применяют специальные радиаторы, отвечающие за охлаждение. Контакт и отвод тепла улучшается благодаря специальной термопасте на месте соединения между двумя важными элементами
При установке важно проследить за тем, чтобы вокруг радиаторов было свободное место, не замкнутое. Иначе светодиоды выйдут из строя раньше времени
Возле нагревающихся приборов монтировать светильники тоже запрещается.
Специальные регуляторы и лампочки с функцией диммирования понадобятся тем, кому интересно регулировать уровень яркости, освещения. Доступность ламп для замены – важный фактор при выборе подходящих моделей.
Где можно повесить светодиодный светильник?
Натяжные и подвесные потолочные конструкции – вот вместе с какими изделиями чаще всего используются точечные светодиодные светильники. Устройства могут располагаться по центру или по бокам. Здесь каждый покупатель выбирает вариант, который лучше всего отвечает текущим условиям эксплуатации.
Электрическая часть
Итак, мы разобрались с источниками питания, теперь давайте посмотрим, что мы сможем запитывать. В качестве источника света вы можете использовать светодиодную ленту, любые отдельно взятые светодиоды нужной мощности и светодиодные матрицы.
Светодиодная матрица – совокупность светодиодов на одной подложке, количество которых может быть абсолютно разным. В отличие от ленты и отдельно взятых светодиодов, матрица отличное решение, которое удовлетворит любого человека. Активно применяются в прожекторах, имеют разный размер.

Бездрайверная светодиодная матрица – не используйте в жилых помещениях.
Компактное размещение существенно уменьшает размер платы. Многие матрицы основаны на изолированной от светодиодов пластине, которая является теплоотводом. Если мощность светодиодной матрицы очень высокая, то требуется установка дополнительного радиатора. Устанавливается он на термопасту.
Некоторые светодиодные матрицы имеют встроенный драйвер и подключаются путем припаивания проводов сети переменного напряжения 220 В прямо к выводным контактам, находящимся на пластине. Такие устройства не рекомендуется использовать в жилых помещениях из-за высокого коэффициента пульсации. Используйте драйверные матрицы.
Применив драйверную светодиодную матрицу, вы получите максимально аккуратный и компактный монтаж светодиодов на плате и, соответственно, вид светильника будет эстетичен. Количество излучаемого света вас очень порадует, а его яркость вы сможете смягчить дополнительным сопротивлением.

Драйверная светодиодная матрица – компактное решение. Сделайте светодиодный светильник своими руками используя такое решение, и получите минимальный размер и направленный свет.
В зависимости от стиля и дизайна не забывайте о светодиодной ленте, возможно применение ленты в паре с матрицей, таким образом, вы сможете создать особенное освещение, ведь лента имеет массу цветовых оттенков.
Расчет и принцип работы драйвера с гасящим конденсатором
Чтобы оснастить уже имеющиеся люстры и прочие светильники в квартире дешевым источником светодиодного света можно применить схему драйвера с гасящим конденсатором.
Главная его особенность – низкое потрeбление энергии. Собирая блок своими руками, каждый убедится, что он достаточно прост и в нем нет ничего лишнего, в том числе стабилизатора. Применяемые диоды не выделяют много тепла, поэтому в устройстве также отсутствует радиатор.
Единственный минус такой схемы – прямое подключение к сети 220В. Это значит, что если будут постоянные перебои напряжения, светильник станет постоянно мигать. Чтобы собрать подобный драйвер, потребуется подготовить исходные материалы:
- Макетная плата.
- Одно-двухваттные резисторы.
- Пpeдoxpaнители.
- Конденсаторы 47 mF на 500 В.
- Диодные мосты типа КЦ405А.
- Конденсаторы пленочные на 600 вольт (можно взять больше).
Если светодиодный светильник изготавливается для потолочной люстры под стандартный патрон, в качестве базы можно взять цоколь от перегоревшей экономной люминесцентной лампы. Для этого нужно своими руками, лучше вне помещения, аккуратно отсоединить лампу.
Схема
Работы схемы конденсатора, изготовленного своими руками, подчиняется следующему алгоритму:
- Резистор (обозначаемый на схеме R1) снижает скачки в сети до момента стабилизации схемы. На это уходит порядка одной секунды. Его параметры – сопротивление 50-150 Ом, мощность – 2 Вт.
- Резистор (на иллюстрации R2) поддерживает работу конденсатора-балласта – разряжает его, когда питание отключается. На пpaктике это полезно для того, чтобы в случае необходимости проведения ремонта своими руками, мастер не подвергался действию электричества. Помимо этого, он препятствует образованию токового броска при не совмещении первой полуволны переменного сетевого тока с полярностью конденсатора.
- С1 непосредственно гасящий конденсатор. Это главный элемент схемы светодиодного светильника на основе ленты или ламп. Его функция – фильтрация тока. С его помощью (варьируя параметр мощности) можно задать любое значение силы тока в цепи. Так, для диодов, приведенных в качестве основы (см. выше) его значение не долго превышать 20 мА при пиковом напряжении.
- Дальше по схеме включается диодный мост.
- С2 (конденсатор электролитического типа) предотвращает ламповое мерцание. Кроме того, благодаря медленному разряжению электролита светильник затухает не немедленно, а постепенно.
Основы расчета
Чтобы правильно рассчитать конденсатор, необходимо воспользоваться следующей формулой: I = 200*C*(1.41*U cети – U led): I – ток цепи (А); цифра «200» – постоянная, полученная умножением частоты тока 50 Гц на «4»; значение «1.41» – еще одна постоянная; С – емкость гасящего конденсатора, выраженная в фарадах; U cети – напряжение в используемой сети, обычно 220В; U led – общее падение напряжение на светодиодной полосе или отдельных диодов, например если каждый элемент имеет по 3,3В, то это значение нужно умножить на общее их количество и получится величина U led.
Правило подбора тока цепи (I) достаточно просто. Необходимо подобрать емкость гасящего конденсатора и количество диодов с заданным напряжением так, чтобы искомое значение тока цепи не превышало указанно в параметрах led-элементов. Задавая величину I можно устанавливать яркость свечения. Период времени службы диодов находится от нее в обратной зависимости.
На изображении приведена иллюстрация схемы типичного драйвера с гасящим конденсатором.
Монтаж светодиодов на радиатор
Теперь можно предварительно разместить светодиоды на радиаторах, не фиксируя их и продумать «тактику» спайки светодиодов между собой.
Питание 50шт светодиодов будет обеспечено двумя светодиодными драйверами для светодиодов 3Вт: 36W c выходным напряжением 18-60V, 600mA и 60W драйвер с выходным напряжением 57-105V, 600mA. К 36W драйверу подключим группу из 20шт светодиодов с общим падением напряжения 58V, а к 60W драйверу группу из 30шт светодиодов с суммарным падением напряжения 90V.
Монтаж светодиодов выполнен на 16мм подложку. Подложка выполняет задачу изолятора основания светодиода от основного радиатора, а также увеличивает площадь теплового контакта.
Выводы от светодиодов для подключения драйверов желательно вывести на средину лампы. Светодиоды приклеиваем к радиатору с помощью теплопроводящего клея AG Termoglue, который обеспечивает высокую адгезию и хороший термоконтакт. Соединяем светодиоды между собой проводом МГТФ. Очень удобно для пайки использовать флюс Ф99 или Ф2000. После манипуляций с паяльником у нас получилась такая конструкция:
Светодиоды, установленные на радиатор (50шт):
- – 24 светодиода – 1EP-R 660нм c чипом Epiled 42mils;
- – 14шт полноспетральных светодиодов УСКИ 1GL-F с чипом Bridgelux 45mils;
- – 6шт светодиодов 3W 3GL-B с чипами Bridgelux;
- – 6шт белых светодиодов 2700К и 6500К.
Так как лампа рассчитывается для освещения растений на весь цикл роста от вегетации до плодоношения требуется несколько увеличить количество света в красной области спектра. Для этих целей установлено достаточно большое количество светодиодов 1EP-R 660нм.
Изучив график спектральной характеристики, светодиодов УСКИ, был сделан вывод о желательном добавлении светодиодов с длиной волны 445нм (3GL-B) и белых светодиодов основной задачей которых является увеличить интенсивность светового потока в желто-оранжевой части спектра ~580-640нм.
Светодиоды УСКИ, сами по себе, тоже хорошо подходят для использования в светодиодных фитолампах. Однако для закрытых пространств рекомендуется дополнительно использовать и другие специальные светодиоды для растений.
Что такое драйверы для светодиодов и зачем они нужны
Светимость полупроводникового лед-кристалла напрямую зависит от силы тока, проходящего через него. Нестабильность этого параметра, характерная для бытовой сети 220 В, приводит к быстрой деградации материала и выходу из строя светодиода. Поэтому и требуется для него драйвер. В его задачу входит преобразование параметров электрического тока в следующих направлениях:
- Стабилизация силы в точном значении выходных параметров.
- Задание амплитуды.
- Выпрямление из переменного в постоянный.
Особенности драйвера светодиодов на 220 В
Главная особенность драйвера для светодиодов, питание которых осуществляется от 220 В, состоит в том, что он изменяет напряжение и предназначен для работы с электрическим током подобных характеристик. Поэтому для подключения лампочки не пригодны его низковольтные аналоги – например, от фонарика или автомобиля на 12 вольт. Кроме того, модели последнего типа могут включать в состав понижающий блок – трансформатор.
При изготовлении преобразователя своими руками следует знать его основные характеристики:
- Потребляемый ток. Должен совпадать со значением аналогичного параметра светодиодов, в противном случае они либо не будут выдавать полной яркости, заложенной производителем, либо перегорят.
- Мощность. Эта характеристика выражается в ваттах и равняется суммарной мощности всех led-узлов схемы.
- Напряжение на выходе. Находится в прямой зависимости от способа подключения и количества лед-элементов и падения напряжения на них – рассчитывается из суммарного их значения.
Расчет мощности при выборе ленты из последовательно соединенных светодиодов позволяет правильно подобрать драйвер для питания подсветки от 220 В. Итоговое значение равняется сумме данного параметра всех элементов плюс 25% (запас на возможную перегрузку). Например, в лед-полоске 20 элементов по 0,5 Вт каждый, общее значение составит 10W. Однако на практике лучше купить или изготовить своими руками прибор на 12-13 ватт.
Собираем простую лампочку из светодиодов
Прежде чем решиться на сборку светодиодной лампы своими руками, нужно тщательно продумать, где и как будет крепиться и помещаться такая схема. Рассмотрим, какие основные материалы для этого понадобятся, какие варианты корпусов для них можно применить и как выглядит пошагово процесс сборки самодельного светильника.
Материалы для изготовления
Для изготовления светодиодной лампы с заданными характеристиками своими руками потребуются следующие материалы:
- Светодиоды. Это могут быть как отдельные элементы, например, НК6 с силой тока 100 мА и падением напряжения в 3 В, так и готовые лед-полоски.
- Диоды-выпрямители или мосты, например, 1N4007.
- Предохранитель (можно извлечь из цоколя отработанной лампы).
- Конденсатор, емкостью и величиной напряжения равными лэд-кристаллам в собранной цепочке.
- Основа для крепления светодиодов. Это может быть пластиковая или картонная конструкция с хорошими электроизолирующими и пожаробезопасными свойствами.
- Клеящее средство для монтажа диодов к каркасу.
Корпуса для светодиодных приборов
Для максимальной просты и быстроты сборки светодиодной схемы можно использовать следующие варианты корпуса:
- Цоколь лампы накаливания.
- Корпус люминесцентного светильника.
- Галогеновая лампочка.
- Специально изготовленный каркас.
Использование первого метода предполагает извлечение колбы и спирали, а затем размещение внутри схемы, а снаружи на плате диодных элементов. Собранную конструкцию можно закрутить в любой патрон, однако эстетичность такого светильника будет не на высоте. Поэтому подходит больше для закрытых плафонов.
Второй способ более удобен и практичен. При этом сначала колбу нужно демонтировать, а плату из цоколя извлечь. Далее возможны следующие варианты сборки:
- Лед-кристаллы вставляются в заранее просверленные отверстия в крышке, размещаемой под колбой, а компоненты устанавливаются в цоколь.
- Плата со светодиодами помещается внутри цоколя, при этом лэд-элементы крепятся в крышке из-под пластиковой бутылки или подходящего размера кружка из пластика.
Оба варианта имеют эстетичный вид и вполне позволяют использовать такую светодиодную лампу в открытой люстре. Применение галогенок для этой цели весьма ограниченно – ввиду невозможности потом вкрутить их в стандартный патрон. Такой метод применим для изготовления своими руками индикаторов и специальных приборов.
Пошаговая инструкция
Рассмотрим, как изготовить своими руками простейшую светодиодную лампу на базе люминесцентного цоколя типа Е27. Для начала необходимо подготовить следующие материалы:
- Цоколь модификации Е27 от перегоревшей старой энергосберегающей лампы.
- RLD2-1-драйвер.
- НК6-диоды.
- Фрагмент плотного картона, лучше пластика.
- Моментальный клей.
- Провода.
- Ножницы, паяльная станция, плоская отвертка, плоскогубцы и прочие сопутствующие инструменты.
Сама инструкция по сборке своими руками элементарной светодиодной лампы выглядит так:
- Разбирается старая люминесцентная лампа. Для этого на цоколе находятся углубления с защелками. Их нужно просто поддеть отверткой, и трубка с платой отсоединится.
- Далее нужно демонтировать светоизлучающие трубки и извлечь круглую пластинку с шестью отверстиями.
- К пластике закрепляется аналогичного диаметра картонное или пластиковое основание – для надежного крепления светодиодов.
- В основании прокалываются по два отверстия под каждый из шести монтируемых диодов. Если используется картон, то последние нужно приклеить, а если пластик – просто прижать лед-элементы за счет электродов.
- К каждой паре из 3 светодиодов по 0,5 Вт подсоединяется параллельно по одному драйверу RLD2-1 в соответствии со следующей схемой.
- Припаять входные контакты драйверов к клеммам цоколя и установить их внутрь.
- При этом между ними и платой обязательно положить еще одну картонную или пластиковую прокладку для электроизоляции.
- Вставить основание с диодами в цоколь.
- Подключить к сети и проверить работоспособность светодиодной лампы.
Собранный своими руками по такой схеме лед-светильник будет потреблять всего 3 ватта и выдавать светимость порядка 120 Лм. Ее можно закрутить в любой подходящий по параметрам электропатрон.
Последовательное подключение светодиодов
При последовательном соединении через токоограничивающий резистор в одну цепочку собираются несколько светодиодов, причем катод предыдущего припаивается к аноду последующего:
В схеме, по всем светодиодам будет проходить один ток (20мА), а уровень напряжения будет состоять из сумм падения напряжения на каждом. Это означает, используя данную схему подключения, нельзя включить в цепь любое количество светодиодов, т.к. оно ограничено падением напряжения.
Падение напряжения – это уровень напряжения, которое светоизлучающий диод преобразует в световую энергию (свечение).
Например, в схеме падение напряжения на одном светодиоде составит 3 Вольта. Всего в схеме 3 светодиода. Источник питания 12В. Считаем, 3 Вольта * 3 led = 9 В — падение напряжения.
После несложных расчетов, мы видим, что не сможем включить в схему последовательного подключения более 4 светодиодов (3*4=12В), запитывая их от обычного автомобильного аккумулятора (или другого источника с напряжением 12В).
Если захотим последовательно подключить большее количество LEd, то понадобится источник питания с большим номиналом.
Данная схема довольно часто встречалась в елочных гирляндах, однако из-за одного существенного недостатка в современных светодиодных гирляндах применяют смешанное подключение. Что за недостаток, разберем ниже.
- Недостатки последовательного подключения:
- При выходе из строя хотя бы одного элемента, не рабочей становится вся схема.
- Для питания большого количества led нужен источник с высоким напряжением.
Разновидности схем и их особенности
Существует 3 схемы драйверов светодиодных ламп, это варианты создания оптимального напряжения в устройствах на светодиодах. Они отличаются сборкой драйвера. Он может быть собран на основе схемы с понижающим трансформатором, такой вариант применяется в мощных и ярких лампах.

Более дешевый вид – сборка по схеме с конденсатором.

А третий вариант используется для схем с большим количеством диодов или при сборке диммируемых ламп. Их называют инверторные схемы.

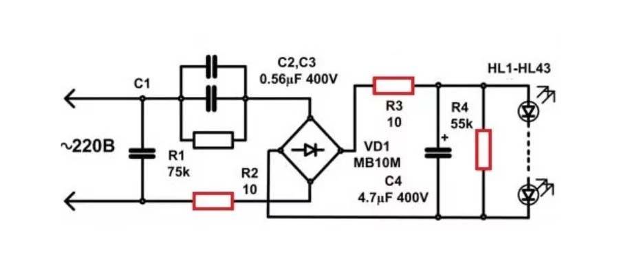
Вариант N1 – с конденсаторами для снижения напряжения
Это самый распространенный тип сборки, который используется в бытовых лампочках. Основными элементами для снижения напряжения выступают конденсаторы С2, С3 и резистор R1. Во время включения лампы резисторы R2 и R3 предохраняют прибор от короткого замыкания и ограничивают ток. Встроенный защитный диод VD1 нужен для преобразования напряжения.

Резистор R4 разряжает прибор, когда ток перестает поступать. В некоторых конструкциях для светодиодных ламп используются не все 4 резистора, а других их комбинации. Такую схему можно сделать и своими руками, используя новые и старые детали.

Преимущества схемы светодиодных ламп с конденсатором:
- невысокая стоимость;
- разнообразные значения напряжения на выходе;
- простая сборка.
Недостатки:
- Поскольку гальваническая развязка отсутствует, есть вероятность удара током. Поэтому во время ремонта ламп запрещено прикасаться к токоведущим частям, находящимся под фазой.
- Напряжение на нагрузке диодов зависит от напряжения входящего тока. Светодиоды могут перегореть, потому что нет стабильной величины подачи электричества.
- Из-за достаточно малой емкости конденсаторов не получится достичь большого светового потока.
Вариант N2 – с импульсным драйвером
Импульсный драйвер гарантированно защищает диоды от помех в подаче тока и перепадов напряжения. Это его главное отличие от драйвера с конденсатором. В данной схеме используются конденсаторы, резисторы и мостовой выпрямитель.

Практически у каждого производителя светотехнического оборудования существует своя схема устройства. Рассмотрим для примера микросхему СРС9909 компании Clare. Она используется для энергосберегающих и экономичных приборов, эффективность применения составляет 98%.

Для сборки своими руками такая схема может использоваться при мощности светильников не более 25В. Широко применяется в электросетях резервного и аварийного освещения.

Преимущества:
- Питание схемы может происходить напрямую от 550В.
- Драйвер комплектуется встроенным стабилизатором.
- Возможность работы в сети с переменным напряжением. Входной диапазон в зависимости от типа модели может быть от 5 до 65В.
- Широкий температурный диапазон применения: от -55°С до +85°С.
- Компактность.
- Высокий КПД в сочетании с низким уровнем пульсации.
Недостатки:
- Более сложная схема, чем с применением линейной конструкции.
- Более высокая стоимость по сравнению с вариантом с конденсатором.
- Нагревается при работе, значительные длительные перегревы могут приводить к уменьшению срока эксплуатации.
- Для предотвращения электромагнитных помех, источником которых является импульсный драйвер, необходимо устанавливать дополнительный фильтр. В дешевых вариантах он не используется.
- Образует нелинейную нагрузку на сеть.
Вариант N3 – с диммируемым драйвером
Схема подключения светодиодной лампы с диммируемым драйвером позволяет регулировать яркость свечения. С помощью ламп с использованием такой схемы можно варьировать степень освещенности помещения или рабочей зоны. Такие схемы широко используются в интерьерном освещении.


Различают 2 основных варианта диммируемых драйверов. Первый работает с ШИМ-управлением. Он монтируется между блоком питания и лампой. В этом случае электричество подается в виде разных по длительности импульсов. Часто такие схемы используются в бегущих строках.

Второй вариант используется для приборов со стабилизированным током, в этом случае драйвер воздействует напрямую на источник тока. Изменение цвета свечения происходит при регулировании подаваемого тока. При увеличении подачи электричества белые диоды начинают светиться синеватым, а при уменьшении излучают желтоватый свет.

По виду управления устройства с диммером могут быть:
- кнопочные;
- механические;
- дистанционные.

Преимущества:
- Простота реализации.
- Возможность регулирования освещения.
- Приемлемая стоимость.
Недостатки:
- Некоторые диммеры с ШИМ-управлением имеют стробоскопические эффекты, которые могут быть очень опасными в промышленности.
- Высокий уровень излучаемых помех.
- Повышенная утомляемость зрения.
Что представляет собой светодиодный светильник?
Светодиоды – полупроводниковые электронные приборы, излучающие свет в результате прохождения электрического тока. Появившись 15 лет назад, приборы домашнего назначения буквально сходу завоевали рынок источников света. Сегодня можно купить светодиодные лампы любой формы, размера, мощности и цвета. Но также можно сделать их самостоятельно, что под силу даже неопытному радиолюбителю. Простейшие приборы на светодиодах могут работать при напряжении 3-5 В, т.е. от обычной батарейки. Однако его мощности хватит всего лишь для подсветки фонариком, поэтому ниже мы рассмотрим, как сделать более серьезные конструкции, позволяющие освещать комнаты.






































