Комплектация открытой системы отопления
Минимальная комплектация отопления
Помимо насоса в открытой системе отопления следует подобрать и другие компоненты. От правильности выбора будет зависеть работоспособность и эффективность всей схемы теплоснабжения.
Для правильного расчета открытой системы отопления в первую очередь вычисляется ее номинальная мощность. Если теплоизоляция здания хорошая – можно взять соотношение, что на 10 м² площади потребуется 1 кВт тепловой энергии. Для более точного расчета рекомендуется воспользоваться специальными программами. С их помощью можно составить корректную схему открытого теплоснабжения, вычислить оптимальные характеристики ее компонентов.
Для минимальной комплектации отопительной системы понадобятся такие элементы:
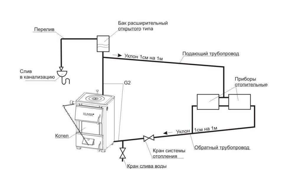
- Котел;
- Расширительный бак;
- Трубопроводы;
- Радиаторы и батареи.
Требования к последним двум невысокие. Чаще всего для обустройства теплоснабжения применяют полимерные трубы. Но специалисты рекомендуют для разгонного стояка использовать стальную трубу. Это объясняется высокой температурой в этой части системы отопления открытого типа для частного дома.
Выбор котла для открытого отопления
Виды котлов для открытого отопления
В первую очередь необходимо предупредить, что установка газовых и электрокотлов для открытой системы отопления запрещена. Нередко в системе образуются воздушные пробки, которые негативно повлияют на работу оборудования и могут привести к аварийным ситуациям. Поэтому единственной альтернативой остаются твердотопливные модели или котлы, работающие на дизельном топливе.
Установка котла должна выполняться согласно всем требованиям. Он располагается в отдельном помещении, где нельзя хранить топливо. Котельная должна иметь принудительную циркуляцию воздуха. Для оптимизации работы оборудования рекомендуется установка сэндвич-дымоходов.
Помимо этих факторов существуют специфические требования для нормальной адаптации котла открытой системы теплоснабжения:
- Нельзя устанавливать котлы длительного горения. Они рассчитаны для низкотемпературного режима работы системы. В таком случае расширение теплоносителя будет недостаточно для циркуляции;
- Если в системе не установлена насосная группа – необходим отдельный монтаж обратного клапана;
- Котел в системе теплоснабжения открытого типа для частного дома должен располагаться в самой низкой точке схемы.
Если в комплектацию оборудования не входит температурный датчик – его следует установить отдельно. Для точности измерения он монтируется на подающей трубе непосредственно после котла.
Модели расширительных баков для открытой системы
Схема установки и конструкция расширительного бака
Для компенсации теплового расширения теплоносителя и своевременного контроля его уровня необходим монтаж расширительного бака для открытого отопления. Он располагается в самой высокой точке системы и может выполнять сразу несколько функций.
Сначала выполняется расчет оптимального объема расширительного бака открытого типа для систем отопления. Он должен составлять как минимум 5% от количества теплоносителя в системе. В стандартной конструкции есть 3 патрубка, которые выполняют следующие функции:
- Входящий патрубок. С его помощью происходит подключение расширительного бака к открытой системе отопления. Обычно его диаметр на 1 размер меньше, чем у разгонного стояка, к которому выполняется монтаж. Поэтому необходим переходник;
- Труба циркуляции. Через нее горячая вода поступает дальше по магистрали;
- Сигнальный патрубок. Необходим для оповещения о критическом снижении уровня теплоносителя. При открытии крана из него не идет вода – следует дополнить систему.
Способы установки расширительного бака
Дополнительно можно модернизировать расширительный бак для открытого теплоснабжения. В некоторых случаях он может выполнять функцию узла подпитки. Для этого необходим дополнительный патрубок, который подключается к водопроводу. При критическом снижении объема горячей воды можно оперативно дополнить систему, открыв запорную арматуру.
Существует несколько схем монтажа расширительного бака. Для теплоснабжения открытого типа с насосом он может монтироваться на дальнем стояке. Такой вариант применяется редко, так как эффективность подобной схемы крайне низка. Чаще всего расширительный бак устанавливается на ближнем стояке для своевременного контроля состояния отопления.
2 Требования к обустройству и эксплуатации
По конструкционным особенностям двухтрубные устройства немного сложнее и дороже. Но это оправдывается некоторыми плюсами, перекрывающими недостатки однотрубного варианта. Вода прогревается до равномерной температуры, а затем одновременно поступает ко всем приборам. В свою очередь, охлажденный теплоноситель возвращается с помощью обратной трубы, а не проходит через следующий радиатор.

Обустраивая открытую систему отопления с насосом и расширительным баком, необходимо выделить несколько правил и требований к предстоящей работе. Они заключаются в следующем:
- 1. На этапе монтажа котельную установку нужно закрепить в самом низком месте магистрали, а расширительный бак — в самом высоком.
- 2. В идеале котел нужно расположить в чердачном помещении. В холодный период резервуар и подающий стояк нуждаются в утеплении.
- 3. Прокладывая магистраль, следует избегать большого количества поворотов, соединительных и фасонных элементов.
- 4. В гравитационных системах циркуляция теплоносителя осуществляется с невысокой скоростью — не больше 0,1−0,3 м в секунду. Из-за этого прогревать воду нужно постепенно, избегая кипения. В противном случае эксплуатационный срок труб существенно снизится.
- 5. Если в холодную пору года отопительная система не эксплуатируется, теплоноситель лучше слить. Такой подход позволит предотвратить преждевременное повреждение труб, радиаторов и котла.
- 6. Объем теплоносителя в расширительном баке нужно контролировать и восстанавливать по мере исчерпания жидкости. Если этого не делать, повысится риск образования воздушных пробок, которые снизят эффективность работы радиаторов.
- 7. Оптимальным вариантом теплоносителя является вода. Дело в том, что антифриз содержит в своем составе токсические вещества, и при взаимодействии с атмосферой они могут нанести вред человеческому здоровью. Такой тип жидкости может использоваться, когда нет возможности осуществлять слив теплоносителя в холодный период.
Актуальные нормы проектирования регламентируются СНиП под номером 2.04.01−85. В контурах с гравитационной циркуляцией жидкости диаметр сечения трубы существенно больше, чем в системах с насосом.
Отличие от закрытой
В своем принципе работы открытая конструкция очень схожа с закрытой, однако закрытая система основана на принудительной циркуляции, из-за чего радиаторы и трубы нагреваются быстрее.
Схема закрытой системы отопления.
Плюсы и неожиданные минусы альтернативы
В сравнении с открытой системой, механизм закрытого типа, оснащенный циркулярным насосом, имеет следующие преимущества:
- ниже затраты на трубы и минимизирован риск замерзания из-за монтажа в помещении;
- бак герметичен и теплоноситель не испаряется, потому можно использовать как воду, так и антифриз;
- антифриз в качестве теплоносителя дает возможность разморозить систему, вернуть ее в работу, чего не произойдет в случае с водой.
Кроме того, механизм с циркулярным насосом позволяет подключать «теплые полы» и регулировать температуру в помещении. Однако закрытая система проигрывает открытому механизму в своей зависимости от электроснабжения. Поэтому последние по-прежнему популярны.
Самостоятельная организация системы отопления
Обустройство котельной
Хороший и качественный вариант отопления можно сделать своими руками, если учесть затраты на проектирование, закупку оборудования и сложность организации. Оптимальным вариантом для частного дома будет закрытый тип коммуникаций с циркуляционным насосом и резервуаров. Его создание осуществляется так:
- Расчеты коммуникаций. Заказываются в проектной компании или производятся с помощью онлайн-калькулятора.
- Согласование проекта, получение разрешения и техусловий.
- Покупка оборудования. Понадобятся отопительный котел, насос, трубы, расширительный бачок, радиаторы (контуры, если планируется теплый пол), воздухоотводники, запорные устройства, автоматические контроллеры.
- Монтаж котла и оснащение котельной. В помещении организуется качественная вентиляция, обустраивается дымоход. Стены, поверхность пола и потолка обшиваются огнестойкими материалами.
- Монтаж циркуляционного насоса, распредколлектора и приборов замера.
- Подводка трубопровода на точки расположения батарей.
- Монтаж радиаторов.
- Опрессовка системы. Первый запуск проводится в присутствии специалистов.
Между открытой и закрытой коммуникациями подачи тепла существует несколько отличий. Подбирать систему отопления стоит в зависимости от условия и места монтажа. Открытую магистраль легко организовать самостоятельно. Создавать закрытую систему должны специалисты.
Открытая и закрытая система теплоснабжения, разница в работе и конструкции.
Основываясь на вышесказанное, закрытая и открытая системы отличаются:
- Стоимость открытого теплоснабжения ниже, особенности при самотёчной циркуляции, в отсутствие насоса и запорной арматуры. Но при этом её монтаж в частном доме затронет весь объём помещений, от подвала до чердака. К тому же необходимо соблюдение уклонов магистрали и диаметров труб.
- Монтаж закрытой схемы, помимо прокладки трубопровода, предполагает установку большого количества дополнительных элементов.
- КПД закрытой схемы будет выше в любом случае.
- В закрытой схеме возможно применение не замерзающего теплоносителя — антифриза (оптимальный вариант для частных домов, не отапливаемых зимой)
- В открытой системе необходим постоянный контроль уровня теплоносителя, из за его испарения в окружающую среду.
- Закрытый тип энергозависим, за счёт постоянной работы циркуляционного насоса (проблема решается установкой автономного электрогенератора, но в то же время стоит учитывать затраты при его отсутствии)
- Установка открытого вида теплоснабжения ограничена общей площадью помещений, в отличие от закрытого.
- Срок службы закрытой системы более продолжителен за счёт почти полного отсутствия воздействия коррозии.
3 Основные типы
Перед тем как согласиться на монтаж открытой схемы отопления гаража с циркуляционным насосом, нужно рассмотреть другие варианты циркуляции жидкости. Как известно, она может передвигаться посредством принципов термодинамики — естественным путем или гравитационным.

Системы, функционирующие посредством естественной циркуляции, вполне подходят для помещений с площадью до 60 квадратных метров. Максимальная продолжительность контура для такого оборудования составляет 30 метров
При этом важно учитывать и такие факторы:
- 1. Высота постройки.
- 2. Этажность.
Схемы естественной циркуляции не подходят для использования в низкотемпературном режиме, т. к. отсутствие достаточного прогрева теплоносителя не позволит достичь оптимального давления. Сферы применения такой системы следующие:
- 1. Подключение к теплому полу. К водяному контуру подключается насос циркуляции.
- 2. Работа с бойлером. Нагревательное устройство фиксируется поверх системы — чуть ниже расширительного резервуара.
https://youtube.com/watch?v=IkifuEJe45o
Типы принудительной циркуляции носителя тепла в обогреве
Применение схем отопления с принудительной циркуляцией в двухэтажных домах используется из-за протяжённости линий системы (более 30 м). Такой способ осуществляется при помощи циркуляционного насоса, перекачивающего жидкость контура. Он монтируется на входе в отопительный прибор, где температура теплоносителя является самой низкой.
При замкнутом контуре степень напора, которую развивает насос, не зависит от этажности и площади строения. Скорость водяного потока становится больше, поэтому при прохождении по трубопроводным линиям теплоноситель сильно не остывает. Это способствует более равномерному распределению тепла по всей системе и использованию теплогенератора в щадящем режиме.

Расширительный бак можно располагать не только в наивысшей точке системы, но и возле котла. Для совершенства схемы проектировщики ввели в неё разгонный коллектор. Теперь, если отключится электроэнергия с последующей остановкой насоса, система будет продолжать работу в режиме конвекции.
- с одной трубой;
- двумя;
- коллекторная.
Каждую можно смонтировать самим или пригласить специалистов.

Вариант схемы с одной трубой
На входе в батарею также монтируется запорная арматура, которая служит для регулировки температуры в комнате, а также необходимая при замене оборудования. Сверху радиатора устанавливают вентиль для спуска воздуха.

Вентиль на батареи
Чтобы повысить равномерность распределения тепла, радиаторы устанавливаются по линии байпасов. Если не использовать эту схему, то потребуется подбирать батареи разной мощности с учетом потери носителя тепла, то есть чем дальше от котла, тем больше секций.
Использование запорной арматуры необязательно, но без нее снижается маневренность всей системы отопления. При необходимости вы не сможете отключить от сети второй или первый этаж для экономии топлива.

Чтобы уйти от неравномерного распределения носителя тепла, используют схемы с двумя трубами.
- тупиковая;
- попутная;
- коллекторная.

Варианты тупиковой и попутной схем
Попутный вариант позволяет легко контролировать уровень тепла, но необходимо увеличивать длину трубопровода.
Наиболее эффективной признана коллекторная схема, которая позволяет подводить к каждому радиатору отдельную трубу. Тепло поступает равномерно. Есть один минус – высокая стоимость оборудования, так как увеличивается количество расходного материала.

Схема коллекторного горизонтального отопления
Существуют еще вертикальные варианты подачи носителя тепла, которые встречаются с нижней и верхней разводкой. В первом случае сток с подачей носителя тепла проходит сквозь этажи, во втором, стояк идет вверх от котла на чердак, где идет разводка труб на элементы обогрева.

Вертикальная схема
Двухэтажные дома могут иметь самую разную площадь, начиная от нескольких десятков и заканчивая сотнями квадратных метров. Также они отличаются расположением комнат, наличием пристроек и отапливаемых веранд, положением к сторонам света. Ориентируясь на эти и многие другие факторы, следует определиться с естественной или принудительной циркуляцией теплоносителя.
Простая схема циркуляции теплоносителя в частном доме с системой отопления с естественной циркуляцией.
Схемы отопления с естественной циркуляцией теплоносителя отличаются своей простотой. Здесь теплоноситель движется по трубам самостоятельно, без помощи циркуляционного насоса – под действием тепла он поднимается вверх, попадает в трубы, распределяется по радиаторам, остывает и попадает в обратную трубу, чтобы вновь отправиться в котел. То есть, теплоноситель движется самотеком, подчиняясь законам физики.
Схема закрытой двухтрубной системы отопления двухэтажного дома с принудительной циркуляцией
- Более равномерный прогрев всего домовладения;
- Значительно большая длина горизонтальных участков (в зависимости от мощности используемого насоса, она может достигать нескольких сотен метров);
- Возможность более эффективного подключения радиаторов (например, по диагональной схеме);
- Возможность монтажа дополнительной фурнитуры и изгибов без риска снижения давления ниже минимального предела.
Таким образом, в современных двухэтажных домах лучше всего использовать отопительные системы с принудительной циркуляцией. Также возможен монтаж байпаса, который поможет выбирать между принудительной или естественной циркуляцией в целях выбора наиболее оптимального варианта. Мы делаем выбор в сторону принудительных систем, как более эффективных.
https://www.youtube.com/watch?v=olrD9qxCAhM
У принудительной циркуляции есть парочка недостатков – это необходимость в покупке циркуляционного насоса и повышенный уровень шума, связанный с его работой.
Для чего используют расширительный бак
Применение расширительного бака необходимо для снижения воздействия на трубы и радиаторы от расширения теплоносителя в системе. Его избыток, получаемый при нагревании, попадает внутрь емкости бачка и нагрузка снижается. При понижении температуры теплоносителя механизм бачка выталкивает недостающую жидкость обратно.
Отсутствие расширительного бака в отопительной системе может стать причиной протечек.
В зависимости от способа обеспечения движения теплоносителя выделяют 2 типа устройства оборудования:
- Для отопления, где циркуляция обеспечивается насосом, применяют закрытый тип расширительного бака. Внутри его емкости расположена эластичная мембрана, которая делит внутреннюю часть оборудования на две части. Верхняя часть заполнена воздухом либо газом, а в нижнюю часть поступают излишки теплоносителя.
- Для систем, внутри которых циркуляция воды или антифриза осуществляется естественным способом, применяют расширительные бачки открытого типа. Его устанавливают в наиболее высокой точке контура. Однако открытый тип бачка способствует возникновению коррозийных процессов, поэтому такие изделия пользуются меньшей популярностью, чем оборудование закрытого типа.
Рекомендуемый объем бака составляет не менее 1/10 от общего объема теплоносителя. При использовании антифриза нужна установка оборудования большего объема, чем при использовании воды.
Механизм естественной циркуляции
Разновидностью закрытых контуров отопления, где не используется циркулярный насос, является система с естественной циркуляцией. Принцип ее работы основывается на простейших законах физики. Вода, нагретая от котла, движется вверх по трубопроводу. В результате прохождения через радиаторы и трубы температура воды снижается, и она меняет направление движения и устремляется вниз к отопительному котлу. Затем цикл повторяется.
Отсутствие циркулярного насоса и замкнутость контуров способствует тому, что срок службы отопительных элементов весьма продолжительный.
Эффективные нагревательные системы
Эффективность обогрева помещения во многом зависит от правильности предварительных расчетов. Если вы являетесь новичком в данном вопросе или вообще далеки от этой сферы, то, конечно, лучше отдать бразды правления в руки специалистов и поручить расчет отопительной системы им. Для тех же, кто уверен в своих силах, приведем небольшой план расчета.
Итак, чтобы спроектировать схему отопления, вам придется пройти несколько этапов:
Первый этап подразумевает расчет нагревательной мощности, значительно упростить этот этап смогут специально разработанные программы для проведения расчетов по заданным параметрам.
На втором этапе вам предстоит рассчитать, сколько тепловой энергии потребуется для обогрева помещения необходимой вам площади.
Третий этап заключается в вычислении мощности, которая должна быть в обогревательных радиаторах.
Завершается расчет четвертым этапом, на котором осуществляется гидравлический расчет, позволяющий уточнить, какой мощностью должен обладать ваш обогревательный насос и насос, отвечающий за принудительную циркуляцию теплоносителя (если в последнем есть острая необходимость).
Самостотельный монтаж открытой системы отопления
С монтажом открытой системы отопления не нужно обладать сверхспособностями, важно внимательно изучить такой вопрос, как схема работ. Первым делом, установите котел. Разместить его можно на полу или же подвесить для экономии места
Мощность котла выбирайте в зависимости от того, какую площадь помещения планируете отопить
Разместить его можно на полу или же подвесить для экономии места. Мощность котла выбирайте в зависимости от того, какую площадь помещения планируете отопить.
Вторым этапом станет распределение и установка радиаторов. Рассчитайте их количество, исходя из площади комнаты. Один радиатор способен отопить до 1 кв.м. жилой площади. Не хотите радиатор, закрепите трубу диаметром 10 см. Ее можно пустить по всему дому и вернуть обратно к котлу. Для более лучшей циркуляции воды, закрепите трубу под наклоном. Что касается бака, его можно установить на обратке недалеко от котла.
Установка радиаторов отопления
Есть еще один вариант монтажа открытого отопления. Открытое отопление можно разместить вертикально, при этом бак устанавливают на чердаке. Чтобы бак не пострадал от перепада температур, позаботьтесь о его утеплении.
Однотрубная система отопления
Поговорим о подборе частей для открытого отопления:
- Котел лучше разместить в отдельной постройке. При этом к нему в свободном доступе должен поступать воздух. На полу постелите материал, который не вспыхнет при пожаре. Для этого лучше полы просто забетонировать. Измерьте площадь помещения. Исходя из этих расчетов, вы сможете рассчитать необходимую мощность котла. Котел сможет работать как на газу, так и на дровах.
- Радиаторы лучше выбрать стальные. Монтаж их осуществляется таким образом, чтобы они были размещены от стены на расстоянии 5 см. Радиаторы можно монтировать под подоконниками. В таком случае они защитят комнату от внешнего холода, играя роль завесы. От пола отступите не менее 40 см. Чтобы обогреть комнату площадью в 15 кв.м. вам нужно установить радиатор не менее 100 см.
Металлические радиаторы
- Трубы. По старинке использовали медные трубы. Однако они себя не оправдали. Медные трубы дорогостоящие и быстро ржавеют. Оптимальным вариантом станет выбор в пользу пластиковых труб. Их диаметр не менее 32 мм. Рассчитывайте длину труб, учитывая, что они выходят из верхней части радиатора и замыкают ее с нижней частью. Монтаж труб производят по наружной части стены. Нет необходимости монтировать их в стену. Соединить трубы между собой можно при помощи отводов. Также трубами не забудьте соединить воедино котел, расширительный бак и радиаторы.
- Расширительный бак. Расширительный бак разместите на чердаке помещения или недалеко от котла. Расширительный бак не должен превышать 5% от объема всей системы отопления в целом. Чтобы отопить дом в один этаж, вам лучше выбрать бак на 8 литров. Для того чтобы не ошибиться, купите бак на 15 литров.
Расширительный бак
Рекомендации по установке
Монтаж открытой системы отопления должен быть выполнен строго по инструкции, иначе появится риск утечек и замерзания воды в зимний период. Представляем следующие рекомендации:
Нужно установить котел максимально низко по отношению к трубам, приборам отопления; Необходимо утепление расширительного бака при установке на чердаке Это предотвращает замерзание воды; Должное внимание уделяется уклону при монтаже трубопровода; Рекомендуется избегать многочисленных изгибов, колен и отводов; Важно использовать наименьшее количество соединительных элементов; Устанавливается труба с наибольшим диаметром на выходе из котла.. Важно правильно подобрать сечение труб:. Важно правильно подобрать сечение труб:
Важно правильно подобрать сечение труб:
Важно правильно подобрать сечение труб:
- Если площадь дома составляет 50-100 кв. м – нужно использовать трубы с диаметром 40 мм. Чем больше общая площадь отапливаемого помещения – тем больше диаметр.
- Трубы, которые идут к радиаторам, имеют сходный диаметр со стояком. Трубы, которые подводят к радиаторам, могут иметь меньшее сечение.
- Рекомендуемый уклон горизонтальных труб составляет 0,005-0,01%. Он выполняется от котла в направлении радиаторов.
Как работает открытая система отопления
Принцип движения теплоносителя в системе заключается в том, что существует разница в плотности горячей и холодной воды. Сама структура системы довольно проста и состоит из следующих основных элементов:
- Стальной или чугунный радиатор.
- Один из видов котлов отопления – газовый, твердотопливный, дизельный и т. д. Выбрать для себя нужно оптимальный вариант.
- Расширительный бачок – чаще всего из стали.
- Трубопровод.
Принцип работы такой отопительной системы довольно несложен, в основе его лежат обычные законы физики. После того как вода нагреется в котле, она под высоким давлением поступает по трубам в зоны, где давление значительно ниже. Когда она пройдет по всем радиаторам, вода поступает обратно в котел. Из-за того, что при нагреве вода, как и все другие вещества, расширяется, необходим специальный расширительный бачок. Он компенсирует излишки теплоносителя. Для этого бачок должен быть обязательно герметичным. Помимо этого, не стоит забывать о врезном кране. Он необходим для того, чтобы удалить воздух из системы.

Схема открытой системы отопления. Нажмите на фото для увеличения.
Вся схема работы может быть условно подразделена на 2 части:
- Нагревание воды и ее движение по трубам.
- Так называемая “обратка”, охлаждение воды и ее возвращение в котел.
У всей конструкции есть некоторые особенности:
- чем больше будет диаметр трубопровода, тем лучше будет циркуляция воды;
- сам расширительный бак должен располагаться выше по уровню других частей отопления;
- вода имеет свойство испаряться, поэтому следует время от времени следить за уровнем воды;
вода – наиболее предпочтительный энергоресурс для отопительной системы, нежели остальные.





































